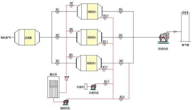
活性炭吸附-脱附+催化燃烧处理工艺
采用活性炭多微孔的特性吸附有机废气,当活性碳吸附饱和后用热空气脱附再生,通过控制脱附过程流量可将有机废气浓度浓缩10-20倍,脱附气流经催化床内设置的电加热装置加热至250℃左右,在催化剂作用下起燃,催化燃烧过程净化效率可达97%以上,燃烧后生成CO2和H2O并释放出大量热量,该热量通过催化燃烧床内的热交换器一部分再用来加热脱附出的高浓度废气,另外一部分加热室外来的空气做活性碳脱附气体使用,一般达到脱附~催化燃烧自平衡过程须启动电加热器1小时左右。达到热平衡后关闭电加热装置,这时再生处理系统靠废气中的有机溶剂做燃料,无须外加能源基础上使再生过程达到自平衡循环,极大地减少能耗,并且无二次污染的产生,整套吸附和催化燃烧过程采用PLC电器自动控制。
1.2技术特点
a采用吸附浓缩+催化燃烧组合工艺,整个系统实现了净化、脱附过程自动化,与回收类有机废气净化装置相比,无须配备压缩空气等附加能源,运行过程不产生二次污染,设备投资及运行费用低;
b使用特殊成型的蜂窝状活性炭作为吸附材料,由于其比重为条形活性炭纤维的8-10倍,再生前吸附有机溶剂可以达到活性炭总重量的25%,具有使用寿命长,吸附系统运行阻力低,净化效率高等特点;
c采用优质贵金属钯、铂载在蜂窝状陶瓷上作催化剂,催化燃烧率达97%以上,催化剂寿命长,分解温度低,脱附预热时间短,能耗低;
d采用PLC控制系统,设备运行、操作过程实现全自动化,运行过程安全稳定、可靠。
e在活性炭吸附床前采用干式过滤器过滤小颗粒物,净化效率高,确保吸附装置的使用寿命。
1.3适用范围
本净化装置适用涂装、印刷、化工、塑料、医药、电子行业中低浓度大风量的有机废气。
1.4工艺流程

1.5具体参数
|
活性炭吸附-脱附+催化燃烧净化装置 |
|||||||||
|
型号 |
jyh-10000 |
jyh-15000 |
jyh-20000 |
jyh-25000 |
jyh-30000 |
jyh-40000 |
jyh-50000 |
jyh-60000 |
jyh-80000 |
|
废气风量(m3/h) |
10000 |
15000 |
20000 |
25000 |
30000 |
40000 |
50000 |
60000 |
80000 |
|
有机废气浓度 |
<1000mg/m3 |
||||||||
|
净化效率 |
≥90% |
||||||||
|
废气入口温度 |
≤50° |
||||||||
|
活性炭箱体 |
一用一备 |
一用一备 |
一用一备 |
两用一备 |
两用一备 |
两用一备 |
三用一备 |
三用一备 |
四用一备 |
|
装置功率(kw) |
50 |
75 |
100 |
75 |
90 |
117 |
116 |
136 |
155 |
|
烟囱尺寸(mm) |
550 |
650 |
750 |
850 |
950 |
1100 |
1200 |
1350 |
1500 |
|
系统安装尺寸(m) |
6×5.5×4.5 |
7×4×4.5 |
9×4×4.5 |
10×4.5×4.5 |
12×5.5×5.5 |
13×5.5×5.5 |
15×5.5×4.5 |
16×6.5×5.5 |
20×6.5×5.5 |
- 2025-10-13 > 江苏日成橡胶有限公司提高硅胶制品生产能力的技术改造项目
- 2025-10-09 > 优胜路东侧、光华路北侧(DN040318-01)地块土壤污染状况调查报告
- 2025-10-09 > 青洋中路西侧、劳动东路南侧(DN040316)地块土壤污染状况调查报告
- 2025-09-22 > 常州腾龙石化有限公司加油站建设项目环境影响评价报告表
- 2025-09-19 > 老人山二级专科医院项目环境影响评价报告表
- 2025-09-08 > 革新南河南侧、江南路西侧(HS100304-02)地块 土壤污染状况调查报告
- 2025-09-08 > 常州市新北区奔牛镇兴奔路以东、星港路以北(BL121011、BL121012)地块土壤污染状况调查报告
- 2025-09-05 > 中国石化销售股份有限公司江苏常州横东加油站改扩建项目竣工环境保护验收
- 2025-08-29 > 常州市吉益工具有限公司年生产300万把五金工具的生产项目竣工环境保护验收监测报告表
- 2025-08-27 > 江苏同力空调设备有限公司新建年产储液器45万台、气液分离器45万台、套管换热器10万台、高效罐换热器10万台、壳管换热器1.2万台、储能液冷机组5000台项目






